注册
搜索
Toggle navigation
首页
走进协会
协会介绍
协会章程
入会流程
服务细则
会费缴纳
组织机构
会员目录
专家库
大事记
联系我们
协会动态
协会公告
会议报道
入会情况
团标动态
课题研究
政策法规
国家政策
地方政策
供热法规
党建专栏
供热标准
标准公告
国家标准
行业标准
团体标准
意见征求
学术交流
国际交流
精品论文
会议课件
专家讲座
《区域供热》
知识分享
行业动态
行业数据
展会信息
科技创新
供热月报
最新资讯
地方动态
统计填报
填报入口
会议培训
会议通知
会议报名
资料订阅
会员风采
企业风采
新晋会员
先锋人物
诚信品牌
旧导航栏目
当前位置:
首页
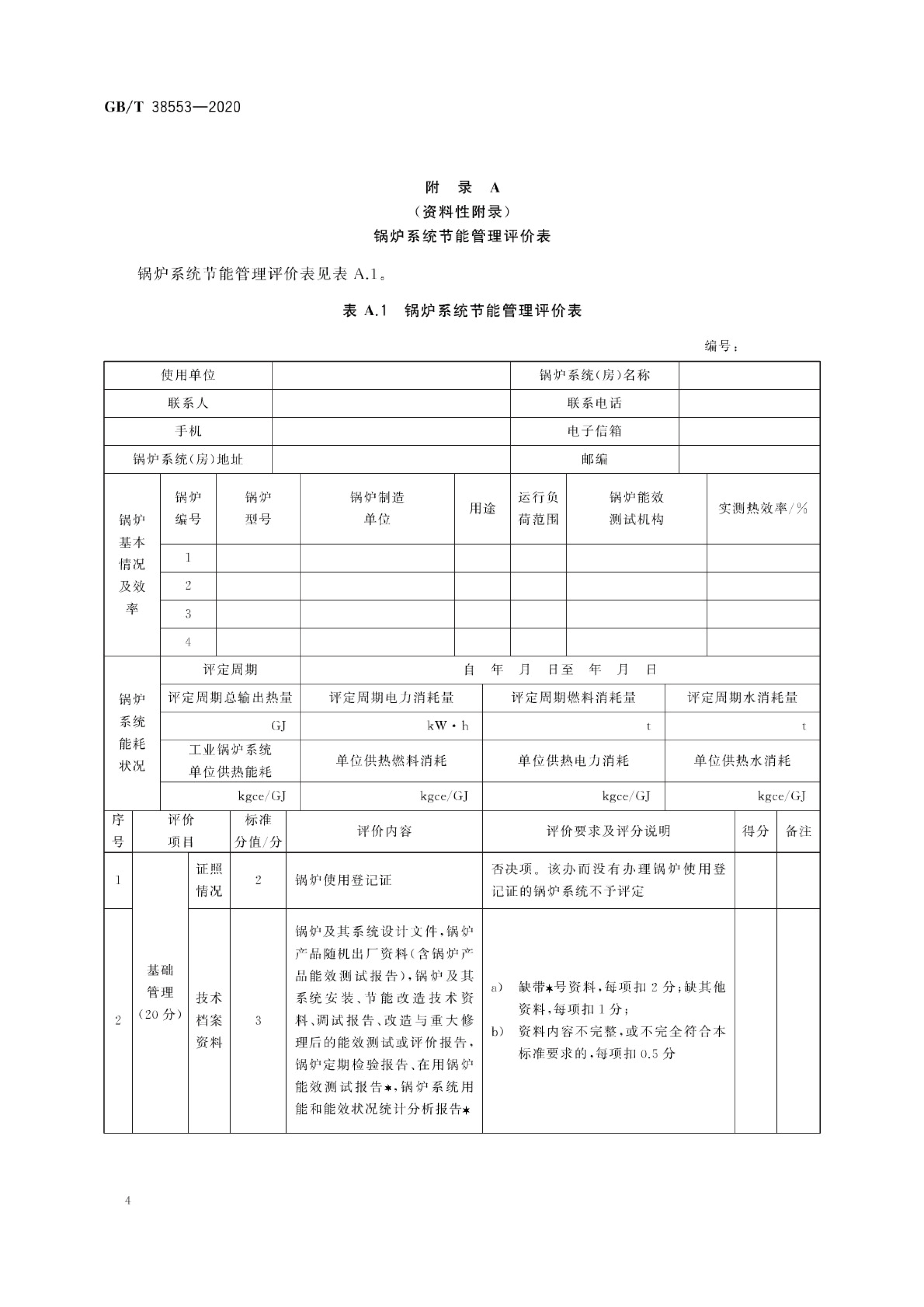
GB/T 38553-2020《工业锅炉系统节能管理要求》
    发布日期:2021-06-23
上一篇:GB/T 38550-2020《城市综合管廊运营服务规范》
下一篇:GB/T 38105-2019《城镇供热 钢外护管真空复合保温预制直埋管及管件》