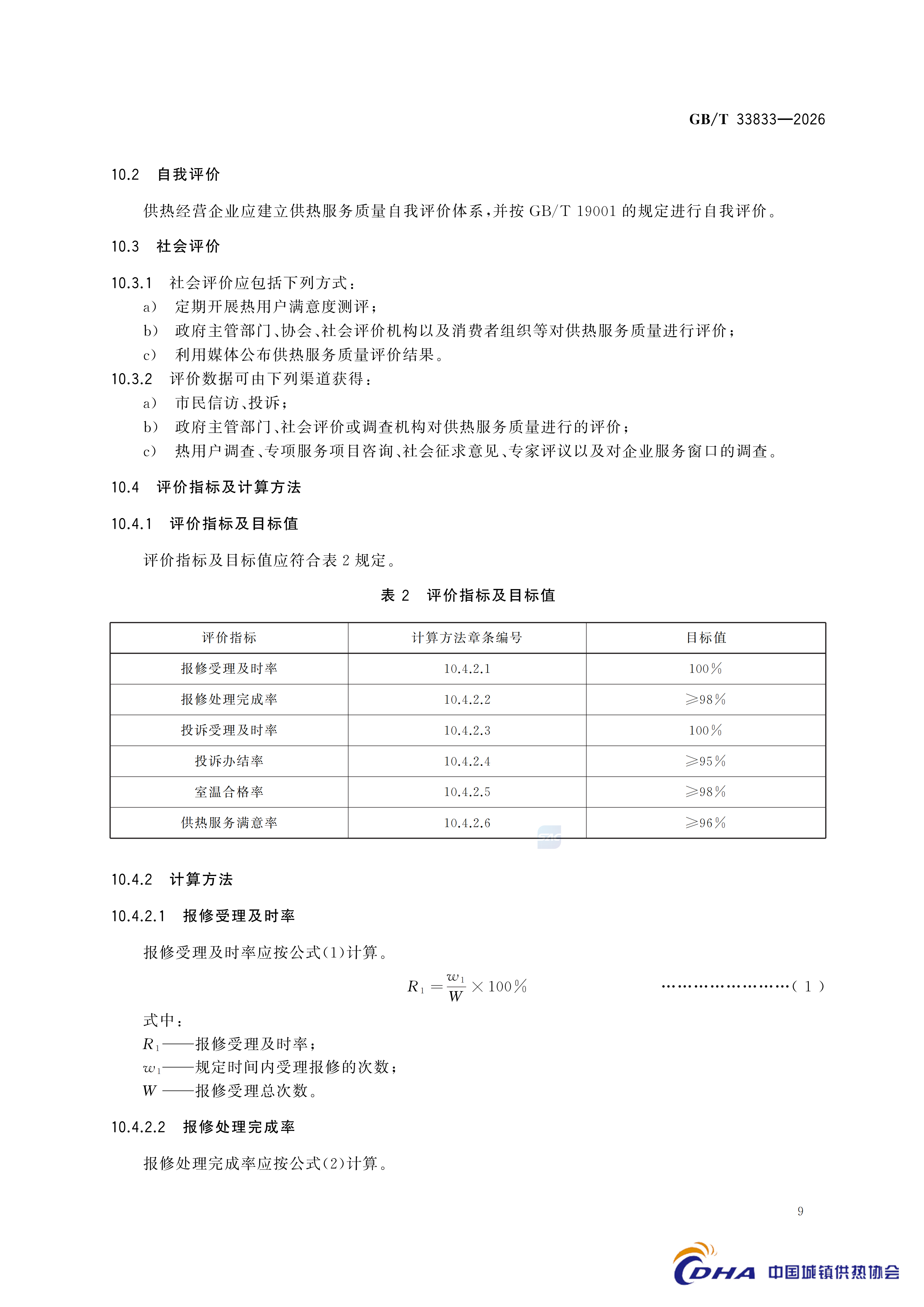
中国城镇供热协会


              

原文:国家标准|GB/T 33833-2026

【免责声明】本站部分内容来源于媒体、企业、机构等互联网公开资料,仅供访问者学习、参考、研究、交流。如涉及侵权请通知我们,本号将及时删文处理。